Уважаемые покупатели!
В связи с нестабильным курсом валют уточняйте цены у наших менеджеров

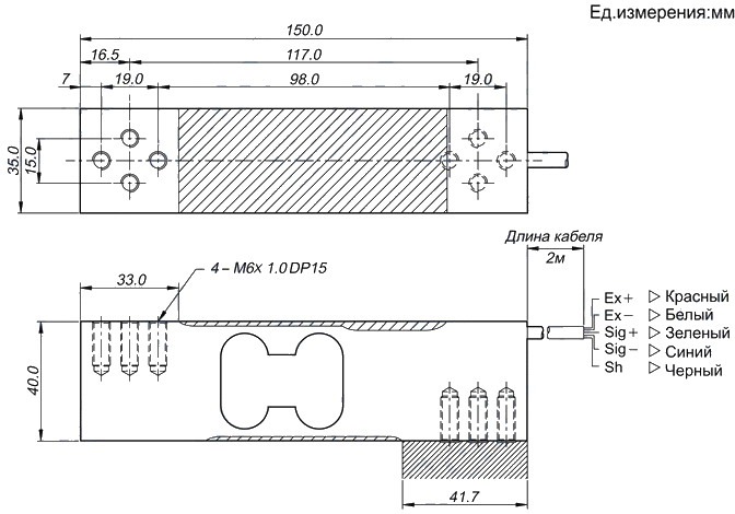
Тензодатчик CAS BCL-200L

Внимание! Изображение товара может отличаться от оригинала и представлено в ознакомительных целях.
Артикул: 449680
Бренд
CAS
Модель
BCL-200L
Страна-производитель
Ю. Корея
Тип
Тензодатчик
Ширина, мм
150
Глубина, мм
35
Высота, мм
40
Объем в упаковке, м3
0.01
Вес (без упаковки), кг
1
Вес (с упаковкой), кг
1.5
Доставка до терминала ТК: Бесплатно
Доставка по Москве в пределах МКАД: 1 200 руб.
Самовывоз: Бесплатно
Расчет стоимости доставки
Аксессуары
Запчасти
Комплектация
Совместимость
Аналоги
Доставка по всей России Доставка по Москве или самовывоз Доставка до ТК
Бесплатная доставка от 200 000 Р
Удобная оплата для Юридических лиц Безналичный расчет без комиссии
Оборудование в лизинг
Без минимальной суммы заказа
Гарантия на оборудование до 3 лет Официальная гарантия от производителя
Ремонт или замена оборудования
Гарантийное обслуживание
Весь спектр услуг для оснащения
заведений под ключ
Проектирование предприятий общепита
Подбор оборудования под ваши задачи
Отгрузка 24/7, Монтаж, Сервис
Описание

Тензодатчик CAS BCL-200L преобразует давление, оказываемое на датчик весом измеряемого объекта, в аналоговый электрический сигнал и применяется в сочетании с напольными весами DL-150 и DL-200. Модель с 4-х проводным кабелем с экранирующей оплеткой. Материал изделия - анодированный алюминий.

Технические характеристики:

  • Температурный режим: от -20 до 70 °С
  • Компенсируемый диапазон температур: от -10 до 40 °C
  • Наибольший предел взвешивания: 2000 кг
  • Максимальный размер платформы: 400х400 мм
  • ​Рабочий коэффициент передачи (РКП): 2 ± 0,2 мВ/В
  • Диапазон значения нуля: 0 ± 0,1 мВ/В
  • Суммарная ошибка: 0,03 %
  • Повторяемость: 0,01 %
  • Ползучесть (30 мин.): 0,03 %
  • Класс точности: D1
  • Сопротивление:
    • Входное: 400 ± 20 Ом
    • Выходное: 350 ± 3,5 Ом
    • Изоляции: >2000 Ом
  • Напряжение возбуждения:
    • Рекомендуемое: 10 В
    • ​Максимальное: 15 В
  • Класс защиты: IP 65
  • Длина кабеля: 0,4 м
  • Тип: одноточечный
  • Вид нагрузки: сдвиговая деформация
  • Допускает нецентральное нагружение

Внимание! Изображение товара может отличаться от оригинала и представлено в ознакомительных целях.
Характеристики
Бренд
CAS
Модель
BCL-200L
Страна-производитель
Ю. Корея
Тип
Тензодатчик
Ширина, мм
150
Глубина, мм
35
Высота, мм
40
Объем в упаковке, м3
0.01
Вес (без упаковки), кг
1
Вес (с упаковкой), кг
1.5
Похожие товары
Доставка, разгрузка и подключение не входят в стоимость оборудования. Стоимость данных услуг уточняйте у наших менеджеров.
Об этом товаре отзывов нет

Cтаньте первым, кто оставит отзыв об этом товаре

Подписка на новости
Будьте в курсе наших акций и специальных предложений!
Нажимая на кнопку «Подписаться», вы подтверждаете свое согласие с Политикой конфиденциальности